Interior Light Problems

Thread Tools
 
Search this Thread
 
Old Aug 26, 2019 | 12:21 AM
  #1  
Untrained's Avatar
Thread Starter
|
Member
Joined: Jul 2018
Posts: 72
Likes: 1
From: CA
Interior Light Problems

My 98 F150 XLT has no underhood light, or even any wires going to where it would be under the hood. My map lights, glovebox lights, and cupholder lights do not work. I cant find anything online, any ideas?
 
Reply
Old Aug 26, 2019 | 07:05 AM
  #2  
projectSHO89's Avatar
Senior Member
20 Year Member
Joined: Oct 2002
Posts: 7,295
Likes: 125
From: St. Louis (Out in the woods)
Check fuse F14 as well as the battery saver and interior lamp relays, all in the in-cabin fuse box.
 
Reply
Old Aug 26, 2019 | 09:46 AM
  #3  
Untrained's Avatar
Thread Starter
|
Member
Joined: Jul 2018
Posts: 72
Likes: 1
From: CA
Correct me if I'm wrong, but wouldn't those all control the rest of the interior lights as well? The door panel lights and the dome lights still work, it's just those three that don't work.
 
Reply
Old Aug 26, 2019 | 07:50 PM
  #4  
projectSHO89's Avatar
Senior Member
20 Year Member
Joined: Oct 2002
Posts: 7,295
Likes: 125
From: St. Louis (Out in the woods)
it would have been good practice to include that information initially.

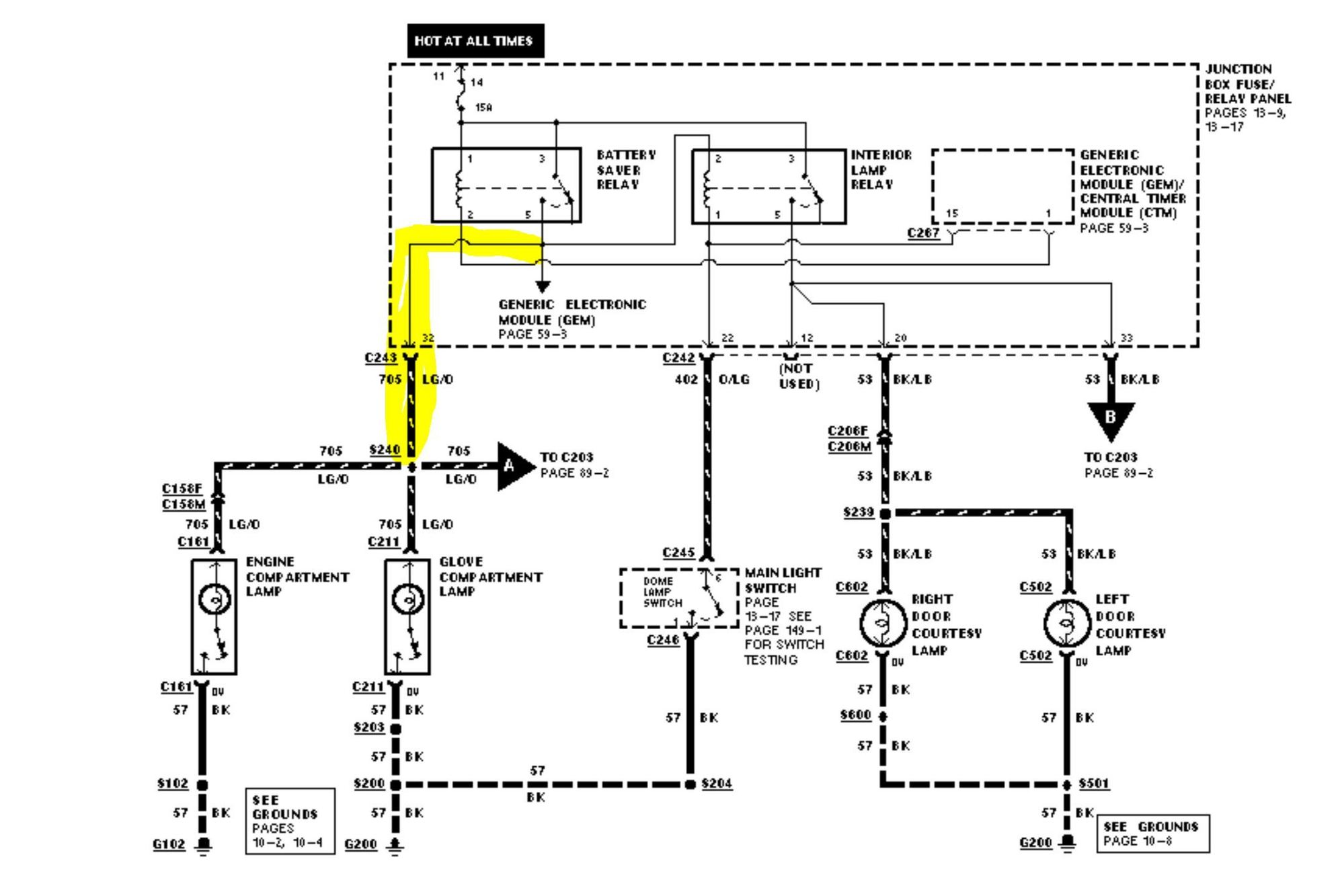
You have an open circuit between the N.O. contact of the battery saver relay and splice S240. Off page connector "A" goes to the map lamps.
 
Reply
Old Aug 27, 2019 | 07:09 PM
  #5  
Untrained's Avatar
Thread Starter
|
Member
Joined: Jul 2018
Posts: 72
Likes: 1
From: CA
Looks like I get to have another journey under the dash thanks for the info SHO. It's currently at the dealer because the speedo is acting weird.
 
Reply




All times are GMT -4. The time now is 02:30 AM.